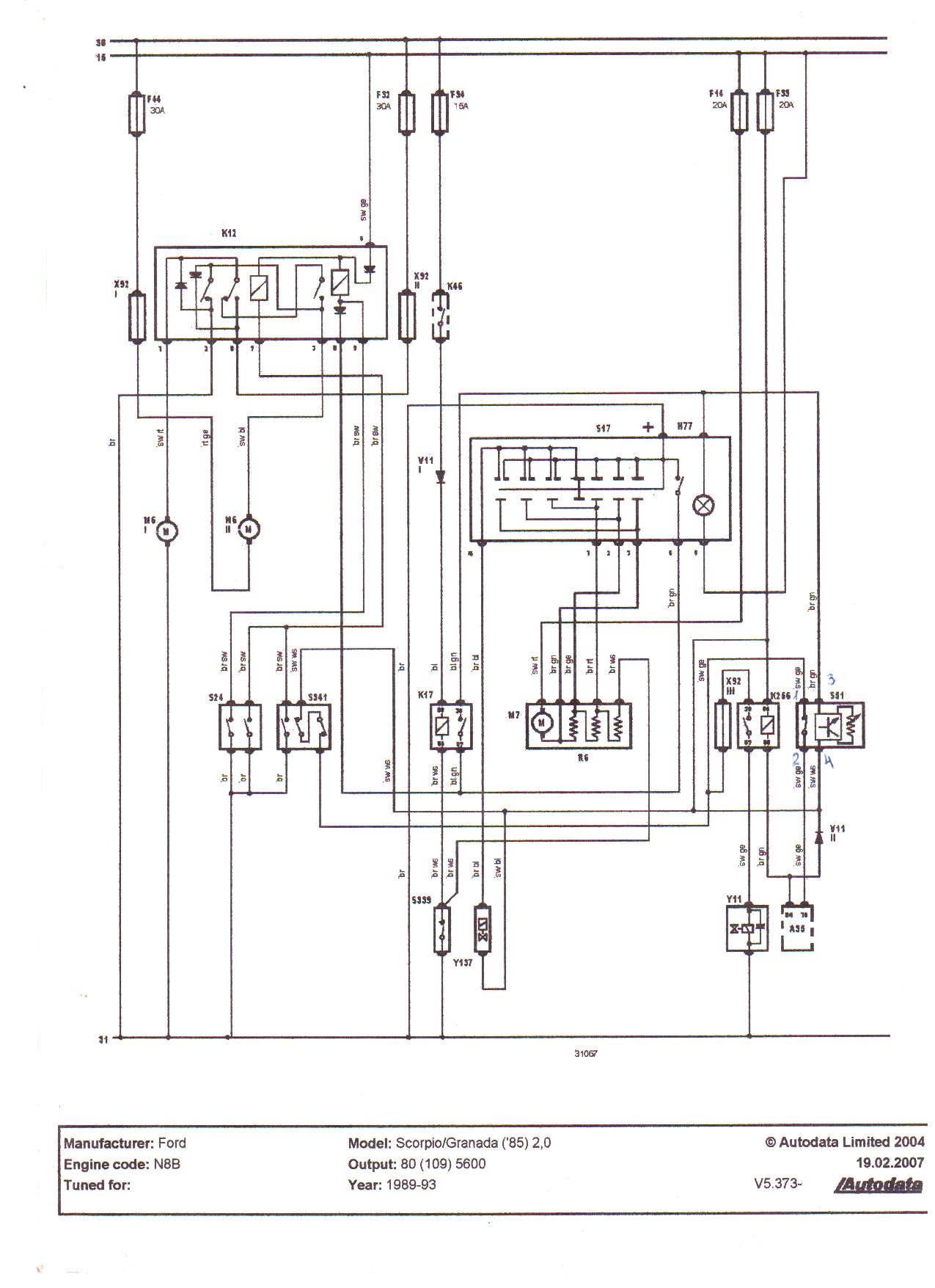
MegaSkorp пишет: Где находится предохранитель и реле?
Souleyman пишет:Не пробовал поиск и "похожие темы" внизу страницы?
Alex P пишет:большое зеленое реле,оно ли
Alex P пишет:вычитал ,что на лупатых при отключеном датчике ,вентиляторы включаются аварийно,применимо это к переходным?


Счастливчик пишет:датчик поменял-не помогло..
. не, ну так конечно. Думаешь, я никогда входы на контроллерах не жег? Еще как жег
.
.
Сейчас этот форум просматривают: нет зарегистрированных пользователей и гости: 46