Страница 1 из 1
Замок багажника

Добавлено:
13.11.07 20:34
Oleeg
Сначала замок багажника стал хреново открываться, как то через раз, то нормально, то с заеданиями. Потом перестал открываться вообще! Две недели езжу без багажника, много натерпелся. Подскажите, чего делать - то?

Добавлено:
13.11.07 20:43
Incredible
Oleeg
Как отрываете? Ключем или на кнопку нажимаете?

Добавлено:
13.11.07 20:50
Lady Scorpio
у меня так было, заедал, потом совсем сдох. С ключа не открывался. Я поехала к электрику и он сделал электропривод. Работы - на 10 минут =)

Добавлено:
13.11.07 21:13
Oleeg
Пробовал и ключем и с кнопки. Бесполезно. Кто то советовал пробрызгать ВДшкой. Поможет?

Добавлено:
13.11.07 21:38
Saboteur
еслИ привод умер то поможет только замена.
бывает что внутРи изнашивается И просто нехватаЕт чтОбы открыть

Добавлено:
13.11.07 22:11
Hranitel
А у тебя там привод самого замка с ключа электро или механический ? Может солиноид закис. Вобщем не гадай а снимай пласмасу и смотри. Найдеш неисправность тогда и спросиш что сним делать.
Правда его еще и открыть надо. Я у себя в Хетче лазил через салон и открывал.

Добавлено:
13.11.07 22:27
Incredible
Oleeg
Он у вас именно не открывается??
Просто у меня было дело, когда замок начал дурить в плане того что ты его открыл, а он сам потом не закрывается.

Вот это было классно ездить постоянно с открытым багажником!!

Главное что об этом никто кроме меня не знал.
Оказалось что соленоид закис нестого несего, раньше нормально свободно работал, а тут бац и очень туго, точнее силы то ему чтобы открыть хватате, а вот пружине, возвращающей, сил этот "язык" соленоида вытащить не хватает. Проблема решилась путем замены соленоида на активатор ЦЗ от от десятки.

Добавлено:
13.11.07 22:28
Miha
Hranitel
в седане тож можно в багажник попасть через салон. у него машинк приводная наподобе ЦЗ, и ещё кнопушеа отключения электрики внутри должна быть...

Добавлено:
13.11.07 23:21
Oleeg
Несовсем так. Кнопка есть, но она переключает режимы открывания "с ключа" или просто кнопкой ( которая личинка замка). Через салон то залезть можно, вот только сделать там ничего нельзя, т.к. это СЕДАН и там особо не развернёшься. Снимать обшивку при закрытом багажнике - не могу представить!

Добавлено:
13.11.07 23:30
Miha
Oleeg
ГЫЫЫЫ а снять её при закрытом невозможно, а ломается легко.
А выключатель, так и есть выключатель, он отключает электропривод, а с ключа открытие к электрике ничего общего не имеет . там тяга простая. Попробуй залить размораживатель замков. Потом методом такойто матери и силы проворачивай ключ. Тут 2 варианта, либа замок потдастся, либо поломаешь ключ, а потом пасатижами за остатки ключа таки откроешь. Об такойто матери спроси у ястреба, он недавнось помыл бибик и ключ сломал чтоб плосками было за что уцепиться.

Добавлено:
13.11.07 23:41
Oleeg
Он не открывался, когда ещё морозов не было. Тут скорее всего чему то пришел абзац.

Добавлено:
14.11.07 01:23
Yastreb
Miha
-1
Я открывал на лупатом. Ничего не сломал;)

Добавлено:
14.11.07 01:24
EvGeniy_U
У меня в один прекрасный день перестал открываться, с помощью ВД-шки и размораживателя замков(дело зимой было) удалось его расшевелить, не ломая ключей(это баловство излишнее). А обшивку снять можно легко. Главное правильную позицию выбрать и освещение нормальное. Там все пистоны тупо выковыриваются с помощью отвёртки, а два возле замка с помощью отвёртки проворачиваются на пол оборота и тоже нах. вытягиваются. Обшивка упадёт прямо на рожу... Ну её в сало сразу и рукой за язычок замка дёргать надо, Сим Сим и откроется...

Добавлено:
14.11.07 02:15
палыч
Miha
А что ьможет накерниться,если при открытии ключом замок издает тупые щелкающие звуки.Куды смотреть нада?
Re:

Добавлено:
14.11.07 06:53
Рем
палыч пишет: А что ьможет накерниться,если при открытии ключом замок издает тупые щелкающие звуки.Куды смотреть нада?
концевик на личинке

Добавлено:
14.11.07 14:42
александер
в свое время натерпелся кошмара с энтим замком,потом плюнул и разобрался....назад не возвращается собачка,которая держит затворную пластину...эта собачка соединена с соленоидом,который толкает ее на открытие,а назад(под действием ослабевшей пружины)возвращаться не хочет.Снимал соленоид...драил шкуркой его шток и дырку,но потом понял,что мешает возвращаться штоку не грязь вокруг его ,а воздух,который не может выйти из него при возврате.просверлил дырку 1мм по оси соленоида для воздуха,собрал ,поставил и 2 года без проблемм...

Добавлено:
14.11.07 14:48
палыч
Всем,кто помог- ПЛИЗЗЗ !

Добавлено:
14.11.07 15:34
Рем
александер
проблема в том, что соленоиды стоят далеко не у всех. У некоторых там моторчики=)

Добавлено:
14.11.07 15:52
александер
про моторчики я не знаю,а с соленоидами причина железная.

Добавлено:
14.11.07 15:58
Рем
александер
просто если речь идет про автора темы, то судя по подписи, в ЦЛ у него может не быть ни того, ни другого=)
А у палыча на 93 году всетаки скорее всего моторчик, хотя 100% утверждать не буду...

Добавлено:
14.11.07 16:39
EvGeniy_U
У меня я так понимаю соленоид.


Добавлено:
14.11.07 16:47
Dimastiy
EvGeniy_U
Моторчик, соленоид он щелкает при открытии тока щелчок, моторчик - жужит при открытии...

Добавлено:
14.11.07 18:40
EvGeniy_U
А у меня ни жужжит и не щёлкает, дохлый он у меня...


Добавлено:
14.11.07 18:52
Hranitel
Поэтому яж и спросил какой механизм. Сколько я слежу за форумом то вариантов было куча. Лично у меня небыло вобще не чого электрического. Ключ просто разблакирует личинку.
Теперь стоит солиноид но он только чтобы с пульта сигналки открыть. Остольное осталось прежним.

Добавлено:
14.11.07 19:16
палыч
Совершенно в дырочку-моторчик стоит..

Добавлено:
16.11.07 23:59
Oleeg
Да... Подр...ся я с ВДшкой... НИ ФИГА! Чего теперь? Высверливать?

Добавлено:
24.11.07 01:30
Oleeg
Да вот... Нет у меня соленоида...( казните меня ), ну как открыть этот ёб... багажник??? По ходу своей работы я не могу без ***!
Ну, так!

Добавлено:
24.11.07 02:12
Oleeg
ВСЁ! П@ЗДЕЦ! Я БЕРУ МОНТАЖКУ!!! я ЗАЕ@лся!

Добавлено:
24.11.07 02:18
XBOCTATOE
95 бензин еще горит хорошо...


Добавлено:
24.11.07 02:37
Oleeg
Всё *** Ну посоветуй, вместо того, чтобы умничать...

Добавлено:
24.11.07 02:46
Incredible
Oleeg
Сломать, заднюю панель, и рукой открыть багажник.
Если друго-го входа нет. А можно аккуратно в ней прорезать дырку, и сделать потом так чтобы это как специальное отверстие.

Добавлено:
24.11.07 02:49
XBOCTATOE
А изнутри в багажник пролезть и выбить нах весь замок? Можт незнаю чего, у меня универсал просто...

Добавлено:
24.11.07 11:22
Oleeg
Не очень удобно (мягко говоря) в седане залазить в багажник....

Добавлено:
24.11.07 12:11
Jesus
я залезал, с фонариком, пистончики квырк, сама панель на липучке
дальше элементарно собачку вправо. Главное спинку заднюю не запирать.

Добавлено:
24.11.07 23:36
Oleeg
Так это чо, у всех такой геморой?
Re:

Добавлено:
25.11.07 00:24
Machete
Oleeg пишет:Так это чо, у всех такой геморой?
Или подобный.У меня тоже было замок сломался.Замок с моторчиком.Оказалось обломались пару зубцов шестерёнки которые выталкивает толкатель.Разобрал механизм поменял шестерёнку.Совет тем у кого замок с моторчиком - не хлопайте крышкой багажника ранее чем 3 секунды после открытия.

Добавлено:
26.11.07 14:56
александер
совет всем-поймайте падающий багажник за 20 см до низа и потом отпустите,чтоб захлопнулся-замок подольше поживет,я давно чужих к захлопыванию не подпускаю...

Добавлено:
26.11.07 20:04
Miha
Фигасе как у пучеглазых ысё запущено.... а старый замок туда впендрить ***
Re:

Добавлено:
27.11.07 02:55
Yastreb
Какие нах соленоиди? У всех моторчики!!! Даже нашемарки изначально на моторчиках приводя делают. Просто их соленоидами по инерции называют. Если соленоид ставить, то после 5-10-ти открытий габажника можно аккум заряжать по ***!!!

Добавлено:
27.11.07 03:15
Incredible
Yastreb
У меня стоял соленоид, если я правильно понимаю что это такое. Точнее на моторчик он никак не похож, а больше похоже на втягивающее реле как на стартере. вот фото.


Добавлено:
27.11.07 20:09
Miha
да это втягивающее, а неработает из за термодиода и он таки на фото.
Re:

Добавлено:
27.11.07 20:39
Oleeg
Jesus пишет:я залезал, с фонариком, пистончики квырк, сама панель на липучке
дальше элементарно собачку вправо. Главное спинку заднюю не запирать.
Понятно. А потом? Что менял?
Re:

Добавлено:
27.11.07 21:38
Hranitel
Incredible пишет:YastrebУ меня стоял соленоид, если я правильно понимаю что это такое. Точнее на моторчик он никак не похож, а больше похоже на втягивающее реле как на стартере. вот фото.

Это и есть соленоид. Моторчик называют - активатором.
Re:

Добавлено:
27.11.07 21:40
Hranitel
Yastreb пишет:Какие нах соленоиди? У всех моторчики!!! Даже нашемарки изначально на моторчиках приводя делают. Просто их соленоидами по инерции называют. Если соленоид ставить, то после 5-10-ти открытий габажника можно аккум заряжать по ***!!!


Добавлено:
27.11.07 23:05
палыч
РЕМ
Именно моторчик

Добавлено:
28.11.07 02:03
Incredible
Miha
термодиод поменял, на фото он новый, старый перегорел.
А не работает по причине того что, "язычек", ну который втягивается, он почему-то стал очень туго ходить, до такой степени что пружина на замке не могла его вытянуть обратно чтобы закрыть замок. Причем если долго подержать кнопку открытия багажника, то соленоид нагревается, и язычек начинает свободнее ходить, при это температура соленоида доходит до того что руками его держать горячо, чем горячее тем свободнее. Но как только он остывает то опять язычек очень туго ходит.
Так и не понял в чем причина.


Добавлено:
28.11.07 09:04
Miha
Всё верно. Там тип резинки после перегрева дубеет. Вот фиговинка и призвана типа предотвращать перегрев. Я один тож перегрел, париться не стал а постаил другой соленоид.

Добавлено:
28.11.07 13:02
Incredible
Miha
А я активатор поставил, но похоже он тоже умер, опять с кнопки не открывается.


Добавлено:
28.11.07 19:38
Hranitel
У меня вобще солиноида небыло. Мне на разборке подарили закисший. Так что я его еле вытянул. Вобщем наждачка помогла. Кстате были предложене зделать мальенькое отверстие с обратной стороны солиноида , для выхода воздуха. (толковое предложение) Иначе стержен смазывать нельзя.
Re: Замок багажника

Добавлено:
04.12.15 07:25
kot488
У меня сейчас стоит личинка которая не нажимается от которой идёт тяга к замку, при повороте ключа тяга тянет язычек замка и он открывается. Нашёл концевиков на подсветку и два контакта на замок. Подскажите электро замок он идёт с личинкой сразу? Хочу сделать электро что бы ключ не использовать
Так же вопрос, какое реле должно быть на контакты замка? А то напряжение не приходит
Re: Замок багажника

Добавлено:
04.12.15 09:45
Felix
У меня электропривод был сгоревший - так я тупо обычный поставил, самый дешёвый с авторынка

. И он эту тягу 4 года таскал, и небось ещё таскает. А вот откуда питание - хоть убей не вспомню. Припоминаю только, что от родного ЦЗ зависело: он открыт - есть питание. Закрыт - нет питания.
Re: Замок багажника

Добавлено:
04.12.15 11:17
kot488
Ты именно соленоид багажника брал, правильно?
Re: Замок багажника

Добавлено:
04.12.15 11:51
Felix
Re: Замок багажника

Добавлено:
04.12.15 12:17
kot488
Феликс а когда туда идет напряжение, не помнишь? При заведенном движке и снятой охране, или когда машина полностью заглушена и не на охране?
У этого же замка положение открыто и закрыто? Как он назад в положение закрыто переходил не помнишь?
Re: Замок багажника

Добавлено:
04.12.15 12:40
Felix
У меня шло при открытом родном ЦЗ, независимо от состояния двигателя. Концевик личинки стоял в разрыве питания. Т.е. личинку нажал - контакт замкнулся - привод тягу дернул.
Re: Замок багажника

Добавлено:
07.12.15 09:07
kot488
Вроде понял всю схему, у меня личинка не нажимается и контактов на ней нет, на замке тоже самое, замок электро нашёл уже. Теперь понял что мне и личинка нужна ещё) стоит ли заморачиваться с этим? Личинки же по разному вроде крепятся?
Re: Замок багажника

Добавлено:
07.12.15 11:24
Felix
Если у тебя пульт от сигнализации имеет отдельную кнопку - посади на нее привод багажника.
Re: Замок багажника

Добавлено:
07.12.15 12:34
kot488
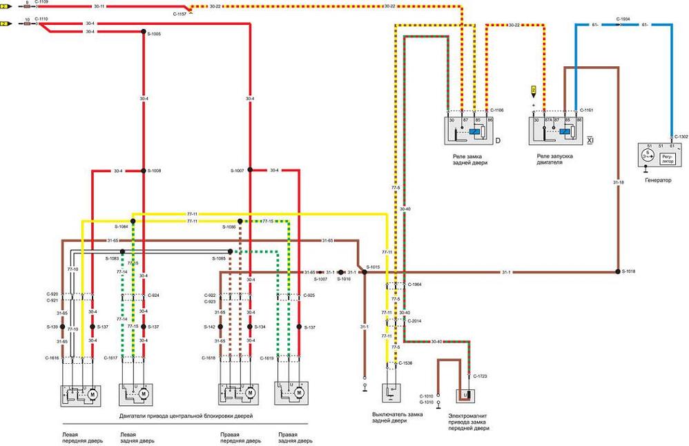
Кнопка имеется, думаю в салоне еще одну поставить где то под торпедой. вот раскопал схему как кто то на столе все собирал, мне получается нужно пройти в обход кнокпи личинки, тоесть попросту убрать фишку и соеденить провода на прямую (обвел красным). Питание впринцепе должно идти на багажник, нарыл что есть предохранитель №9 который отвечает за замок багажника, и так же реле есть на замок багажника. сегодня взгляну у себя это реле и предохранитель, они вроде в блоке под капотом должны быть.И я вот по схеме понять не могу, справа идет контакт на личинки, там и плюс и минус, а с права что идет за приблуда не знаешь?
Наверно проще всю проводку заново протащить на замок?

Re: Замок багажника

Добавлено:
08.12.15 22:01
kot488
Ребят сегодня получил замок)
Подскажите пожалуйста, правильно понял место для микрика и назначения контактов?
Завтра думаю зайти купить реле на на этот замок в стандатрное место, оно типа D но думаю меня в магазине не поймут( можете сказать какое именно реле нужно? предохранитель на сколько ампер ставить, 30 вроде идет по схеме?
Если подам плюс на один контакт замка, массу на другой а контакт что идет на кнопку личинки замкну то замок должен открыться, правильно? Это конечно если он у меня станет)

Re: Замок багажника

Добавлено:
08.12.15 22:57
Костя Луганск
Схему на столе я собирал по просьбе одноклубников))
Штатно в блоке предов есть реле управления соленоидом(открытие багажника) и реле блокировки открытия багажника при заведённом двигателе(включённом зажигании). Реле открытия управляется минусом с микрика личинки, а этот минус, в свою очередь, заведён на управляющий минус ЦЗ у задней левой двери.

- система центральной блокировки дверей1.JPG (70.21 КБ) Просмотров: 21956
У меня с этим были заморочки, поэтому реле открытия переехало в ляду. На фото штатный жгут и мой, с переехавшим реле.

- P8010009а.JPG (99.13 КБ) Просмотров: 21956
Поищи по картинкам, я неоднократно расписывал подробности на других ресурсах.
Re: Замок багажника

Добавлено:
08.12.15 23:16
kot488
Смотрю ты всё-таки использовал плюс по штатной проводке? Ты её заново прокладывал? У меня нечего просто не идёт на дверь багажника, вот тут и есть мысли вставить реле (незнаю как в магазине рассказать какое нужно) в блок и посмотреть что то появится на контактах или нет
Re: Замок багажника

Добавлено:
08.12.15 23:32
Костя Луганск
Я завёл силовой плюс в ляду, поставив перемычку вместо реле открытия, т.к. в моём случае управляющий провод из ляды в блок предов не доходил. Тянуть новый провод = отрывать потолок, я не стал усложнять, просто переселил реле открытия в ляду.

- P8010008а.JPG (57.81 КБ) Просмотров: 22876
С реле не спеши, прозвони толстый красный(с зелёной полосой) провод в ляде с разъёмом реле открытия багажника в блоке предов.
Re: Замок багажника

Добавлено:
09.12.15 07:58
kot488
Ты имеешь ввиду проверить приходит ли постоянный плюс на ляду и вообще есть ли напряжение на контакты где должно стоять родное реле? если не приходит то тогда прозвонить целый ли этот кабель, найти место под капотом где стоит реле и тыкаем где нога идёт на ляду если звонится то делаем перемычку, если не звонится то только тянуть новый кабель постоянного плюса на ляду. И всю прозвонку делать с кабелем который приходит на личинку замка?
А коричневый кабель от замка на корпус?
Re: Замок багажника

Добавлено:
09.12.15 13:57
Костя Луганск
Почти правильно). Постоянный плюс не приходит, приходит силовой (красный с зелёным) провод от реле. А плюс должен быть на втором контакте этого реле. Плюс в ляду приходит у меня, потому как перемычка вместо реле открытия стоит:

- блок реле.JPG (110.1 КБ) Просмотров: 22850
Любой коричневый провод в скорпе(если на нём нет цветной полоски) - это масса. Т.е. да, коричневый провод соленоида - на массу.
Re: Замок багажника

Добавлено:
09.12.15 14:48
kot488
А на моем засраном блоке вроде есть то реле?) Только тут возникнет вопрос рабочее ли оно. Да и предохранитель что то слабоват стоит

Смотрю у тебя реле противотуманок стоит, а у меня его нет, но задние светят.
Re: Замок багажника

Добавлено:
09.12.15 15:12
Костя Луганск
Да, реле стоит, т.е. есть шанс, что проводка есть). Перемкни разъём в ляде, что на микрик личинки идёт(красный папа-мама) послушай - клацает ли релюшка и появляется ли плюс на толстом красном с зелёной полосой. Предохранители у тебя просто перепутаны 8й и 9й. Реле проверь, поменяв местами с аналогичным.
По туманкам в теме отвечу сейчас.
Re: Замок багажника

Добавлено:
09.12.15 16:35
kot488
Буду в гараже проверю, никак добраться не могу
Re: Замок багажника

Добавлено:
10.12.15 07:34
kot488
Костя питание же по идее должно появляется при заведенном двигателе? На заглушеном тишина ( да и цепь микрика подсветки багажника нарушена, не звонится от плафона до багажника(
Решил только что накинуть на замок б.п. 10В реакции на замке 0, подключил 14В моторчиктолько гудит и вибрирует но не клацает((( не рабочий замок прислали походу?
Re: Замок багажника

Добавлено:
10.12.15 12:05
Костя Луганск
С точностью наоборот - замок багажника активен при заглушенном двигателе и открытом ЦЗ. Питание пока не ищи. Для начала провода попрозванивай - что доходит, а что нет.
Если у тебя именно соленоид(как на моём фото) и вибрирует при подаче напряжения - значит подаёшь переменное напряжение на него. Соленоид потребляет много - пред там на 30А, за неимением ставил когда-то 20А - предохранитель не выдерживал. Т.е. если Б.П. у тебя менше 200-300 Вт - он его не потянет.
Re: Замок багажника

Добавлено:
10.12.15 22:27
kot488
Да такой как у тебя на фото, напряжение с обычного телефонного б.п. подавал

запасся проводами и восстановил тестер завтра буду прозванивать
Re: Замок багажника

Добавлено:
13.12.15 16:10
kot488
Мужики реле рабочее))) где найти провод который срабатывает на открытие? У меня микрика на личинке нет, на сигналку замок не подключен. И на микрик открытия приходит + а не минус
Может проводка идёт в пороге? Снял обшивку с левой стороны куда лобовое клеится (стойка или как её) так там пусто
Re: Замок багажника

Добавлено:
13.12.15 22:09
Костя Луганск
kot488 пишет:где найти провод который срабатывает на открытие?
И на микрик открытия приходит + а не минус
Коричневый с замка точно масса? Что то когда его к массе прикладывают он искру даёт
Я ж схему выкладывал, там цвета проводов соответствуют. Плюс будет на коричневом с жёлтым проводе микрика. На жёлтом проводе микрика, при открытом ЦЗ должна быть масса.
Провод на открытие искать в блоке предов снизу - тонкий коричневый с жёлтой полосой(но он там не один такой). Как он идёт - опускается к порогу или подниметтся в стойку крыши - я не знаю.
Коричневый - масса. Если искрит - возможно на реле подаётся управляющее напряжение. Вытяни реле - если перестанет искрить - значит так и есть, если контакты реле не спаялись.
Re: Замок багажника

Добавлено:
13.12.15 22:15
kot488
Я очкую снимать блок предохранителей(((
Искрит при срабатывние, пока не зафикчировал его.
Ну так походу и идёт управляющий плюс. Поцепил коричневый на массу, под болт, коричневый подключил к висящему контакту, ну а на красный разъём для теста поцепил микрик подсветки. На закрытой машине зажал микрик, открыл машину отпустил микрик и он открылся)))
Наверно поеду к электричку пусть ставит кнопку

Re: Замок багажника

Добавлено:
13.12.15 22:49
Костя Луганск
kot488 пишет:Я очкую снимать блок предохранителей
Его не снимешь. Искать нужно, сняв нижнюю панель в ногах водителя. В позе зю залечь вниз головой и так искать))
Но если уверенности нет - лучше к электрику.
Re: Замок багажника

Добавлено:
13.12.15 23:17
kot488
Ладно завтра рискну) я кстати думаю замкнуть питание которое идёт на личинку в багажнике, а если найду тот что идёт на микрик разрезать и на кнопку запитать. Проводка вся родная жива, и реле рабочее)))

Re: Замок багажника

Добавлено:
14.12.15 20:35
Oleg_13
подскажите пожалуйста какой механизм открытия багажника в переходном седане? У меня уже стоит самый обычный китайский привод за 200руб...сегодня перебрал личинку под живой ключ, теперь багажник открываеться с ключа:) но возникает вопрос, он же должен еще и просто с кнопки открываться!?
Re: Замок багажника

Добавлено:
25.12.15 16:48
kot488
Расхоботился наконец то с работой и решил закончить с багажником. Провод искать в ногах это понял. Искать же тот лучше который подаёт плюс на микрик правильно? А то читай драйв там пишут плюс постоянный замыкаем в багажнике а кнопка ставится в разрыв кабеля коричневого который подаёт питание на открытие замка при замыкании микриком красного провода. Если я правильно понимаю то при такой схеме постоянно будет от реле идти плюс на кнопку, но ведь это не правильно? А так постараться найти два красных в ногах и рубануть их, а на концы кнопку и кнопка будет как микрик, правильно?
Re: Замок багажника

Добавлено:
26.12.15 13:51
kot488
Поздравте подключил, конечно еле нашел провод. Он все таки в ногах у водителя спускается вниз. Один провод по которому идет постоянный плюс на микрик разрезал и через жигулевскую кнопку.

Re: Замок багажника

Добавлено:
26.12.15 14:46
Костя Луганск
Поздравляю
Цвет провода напиши - кому то пригодится.
Re: Замок багажника

Добавлено:
26.12.15 14:56
kot488
Костя Луганск пишет:Поздравляю
Цвет провода напиши - кому то пригодится.
Такие как и в багажнике) коричнево желый, я специально сфоткал что бы выложить, что бы кто следующий будет искать знал где он
Re: Замок багажника

Добавлено:
26.12.15 15:29
Костя Луганск
Oleg_13 пишет:подскажите пожалуйста какой механизм открытия багажника в переходном седане?
он же должен еще и просто с кнопки открываться!?
Механизм такой:

Должен работать от нажатия личинки.
Re: Замок багажника

Добавлено:
26.12.15 15:46
Oleg_13
Спасибо! Получается китайская замена нормальный вариант, у меня оно с кнопки не работает, скорее всего дело в центр замке. Он у меня не работает при нажатии на рычаг в салоне, только от сигналки, будет время разберу замок и посмотрю, может контактам хана...
Re: Замок багажника

Добавлено:
07.03.16 17:48
Carter
подскажите, mk1, 89 год, CL комплектация. ц/з есть.
С покупки ц/з багажника не работал, а тут с ключа стал заедать - решил почистить/смазать.
снял обшивку и весь замок у меня выглядит как здесь

- 761bce8s-960.jpg (243.11 КБ) Просмотров: 15806
соленоид мешал хорошо проворачиваться ключу - пока его снял.
вопросы:
1) личинка замка снаружи должна вдавливаться/нажиматься? например на 1й сиерре нажималась, а на 2й - нет, как со скорпом?
2) какой принцип работы соленоида - я так понял, что ключом можно открыть всегда. Но есть ли в CL какая-либо кнопка (и где она стоит), чтобы открыть при заведенном моторе и/или просто при открытом ц/з (задалбывает каждый раз с ключом бегать)
3) если кнопки нет, то ее можно поставить? куда подключаться?
4) зачем нужен концевик на личинке? концевик на подсветку - он в замке.
5) чинится ли этот соленоид? как его разобрать и что там перегорает?
Re: Замок багажника

Добавлено:
07.03.16 19:10
Petruha
1.Были скорпы 85-86-89-91-93 и на всех вдавливались.
2.
Carter пишет:задалбывает каждый раз с ключом бегать
так и должно быть,что при заведенной багажник только с ключа.
3.Личинка и есть кнопка.
4.Нажимая на кнопку этот концевик дает сигнал на соленойд.
5.А на прямую если 12в,тоже не робит?
Re: Замок багажника

Добавлено:
07.03.16 22:46
Carter
а как личинку вытащить? на сиерре была скоба, а на скорпе - только болты со спиленными головами торчат.
надо ли снимать заднюю рамку черную (обрамление личинки) - а то попробовал открутить и судя по звуку теперь закладные гайки внутри этого обрамления проворачиваются...
Re: Замок багажника

Добавлено:
08.03.16 05:52
Petruha
Carter пишет:гайки внутри этого обрамления проворачиваются...
Да есть такая проблема,что впаянные винты в накладку,проворачиваются от закисших гаек.А ее в любом случае снимать надо,чтобы снять личинку,которая также наверняка закисла,если не нажимается.
Carter пишет:на сиерре была скоба
Ну и здесь типа кольца,если не ошибаюсь.В общем на самой личинке должен быть.
Re: Замок багажника

Добавлено:
13.03.16 15:27
Stuff
Подскажите плиз Скорпио 93год хетч. Устанавливаю сигнализацию. Хочу подключить открывание замка багажника с кнопки на сигналке. На какой провод в салоне подать сигнал (+?или-? и силовой или слаботочный) чтоб это реализовать.
И еще вопрос по подключению ЦЗ. В переходном вродибы ЦЗ управляется плюсом. Тоесть для открытия нужно подать + на желтый , для закрытия на белый? (жмут возле левой ноги водителя)